
Galvanized lock washer with 1 tab for securing nuts and bolts.
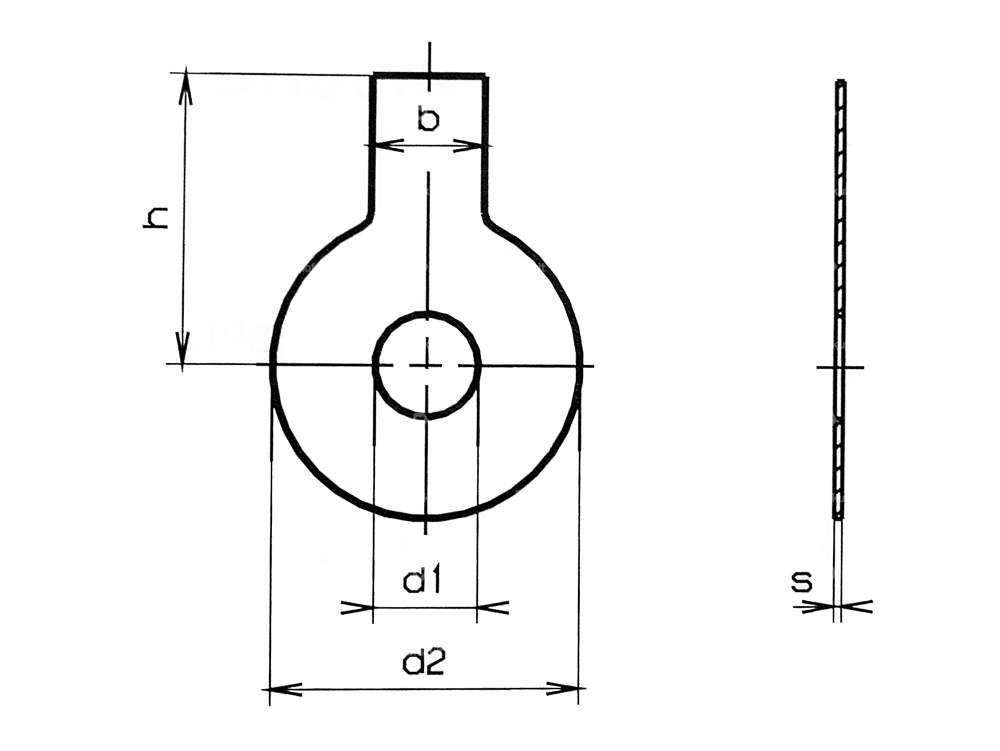
Take the following dimensions from figure 2:
| Thickness | 1 mm |
| Material | Steel |
| Surface | galvanized (blue) |
| Ø inside | 13 mm |
| Width | 12 mm |
| Ø outside | 30 mm |
| Number of lobes | 1 pcs |
| Total length | 28 mm |
| Thread size | M12 |
| Nominal diameter (thread) | 12 mm |
Explore categories from Screws & fastener sets
Moped fans also bought
swiing® revival stud bolt inlet/outlet M6 x 30 (10.9 strength)
Material: Steel · Total length: 30 mm · Manufacturer: swiing® revival parts · Thread length: 12 mm · Diameter: 5.95 mm · Surface: galvanized (blue) · Thread type: M6x1 (standard thread) · Nominal diameter (thread): 6 mm · Strength class: 10.9
EUR 2.20
Fortune / Merrick 2.00-2.25 x 16" / 17" inner tube
Valve type: TR4 Auto valve · Manufacturer: Fortune · Tire width: 2 - 2.5 " · Tire width: 2.25 - 2.5 " · Tire width: 2.5 " · Tire width [mm]: 50.8 - 63.5 · Width: 2 " · Width: 2 1/4 " · Width: 2 1/2 " · Tire height [%]: 100 · Old designation: 20 x 2 " · Old designation: 20 x 2.25 " · Old designation: 20 x 2.5 " · Old designation: 21 x 2 " · Old designation: 21 x 2.25 " · Old designation: 21 x 2.5 " · Wheel size: 16 - 17 " · Wheel size: 17 "
EUR 12.90
swiing® revival stud bolts M6 x 106 (10.9 strength)
Material: Steel · Total length: 106 mm · Manufacturer: swiing® revival parts · Thread length: 12 mm · Thread length: 20 mm · Surface: galvanized (blue) · Thread type: M6x1 (standard thread) · Nominal diameter (thread): 6 mm · Puch OEM number: 360.1.10.034.1
EUR 2.20
Nut M12x1 x 10 SW19 Wheel nut galvanized
Material: Steel · Surface: galvanized (blue) · Nut type: Hexagon nut · Thread type: MF12x1 (fine pitch thread) · Nominal diameter (thread): 12 mm · Drive: External hexagon · Height: 10 mm · Width across flats: 19 mm · Area of application: Standard · Thread depth: 10 mm · Strength class: 8
EUR 2.45
License plate holder (with frame) Inox (CH version)
Material: Chrome steel (colloquially known as stainless steel) · Color: silver · Total length: 143 mm · Width: 103 mm · Height: 7 mm · Manufacturer: Made in Switzerland · Number of fixing points: 3 pcs · Ø mounting hole: 5 mm · Mounting type: Nuts & bolts
EUR 16.60





