
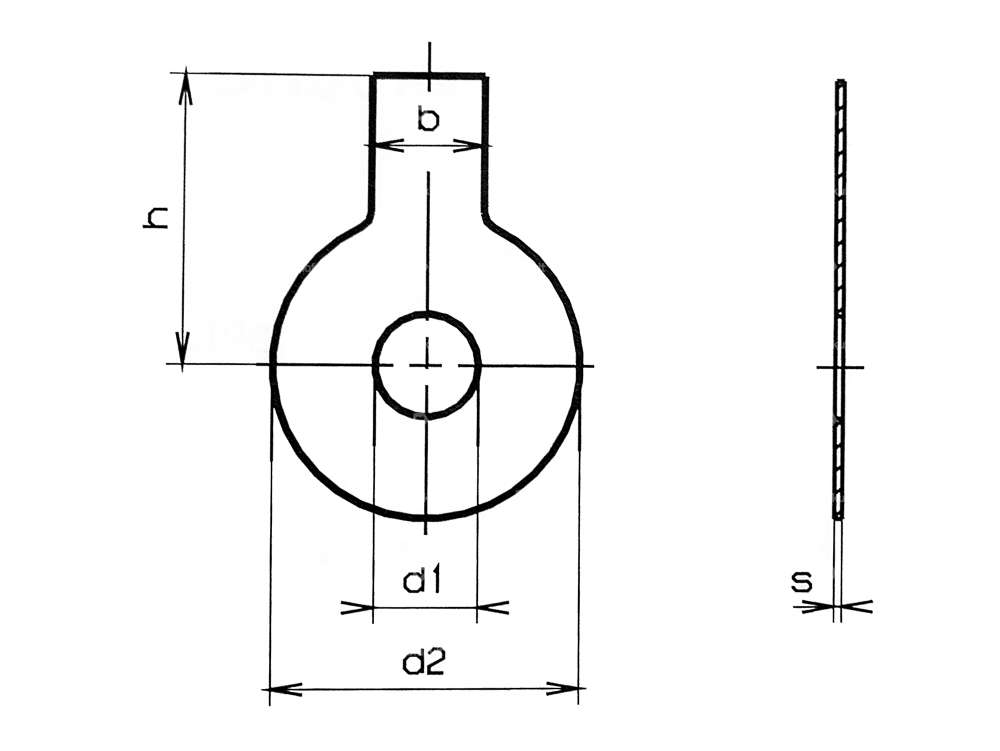
Galvanized lock washer with 1 tab for securing nuts and bolts.
Take the following measurements from figure 2:
| Thickness | 0.5 mm |
| Material | Steel |
| Surface | galvanized (blue) |
| Thread size | M6 |
| Ø inside | 6.4 mm |
| Width | 7 mm |
| Nominal diameter (thread) | 6 mm |
| Number of lobes | 1 pcs |
| Total length | 18 mm |
| Ø outside | 19 mm |
Explore categories from Screws & fastener sets
Moped fans also bought
GPO 15 mm carburetor tuning | Puch
Nominal diameter: 15 mm · Manufacturer: GPO · Mounting type: Plug connection clamped · Material: Aluminum · Camouflaged: No · Component group Carburetor: Carburetor complete · Width: 50 mm · Choke control: Hand choke · Carburetor type: SRE · Height: 95 mm · Nozzle thread: M3.5x0.6 (standard thread) · Ø fuel hose connection: 6 mm · Total length: 66 mm · Nozzle size: 62 · Ø Inside entrance: 15 mm · Ø Output inside: 15 mm · Ø Air filter connection: 20 mm · Ø Internal connection: 20 mm · Mixed oil connection: No · Vacuum connection: No · Area of application: Tuning · Nozzle block: 2.17 · Clamping screw torque (max.): 4 N/m
EUR 79.60
swiing® ingenious clutch springs reinforced (+20%) | Puch E50
Spring design: Pressure spring · Manufacturer: swiing® ingenious parts · Number of components: 3 pcs · Material: Spring steel · Surface: coated · Color: blue · Ø wire: 1.7 mm · Ø outside: 8.3 mm · Ø inside: 4.8 mm · Total length: 28 mm · Area of application: Tuning
EUR 21.90
swiing® revival stud bolt inlet/outlet M6 x 30 (10.9 strength)
Manufacturer: swiing® revival parts · Material: Steel · Surface: galvanized (blue) · Diameter: 5.95 mm · Thread type: M6x1 (standard thread) · Nominal diameter (thread): 6 mm · Thread length: 12 mm · Total length: 30 mm · Strength class: 10.9
EUR 2.20
Nut flywheel M10x1 SW15 serrated
Material: Steel · Surface: galvanized (blue) · Nut type: Flange nut · Drive: External hexagon · Height: 10.5 mm · Thread type: MF10x1 (fine pitch thread) · Nominal diameter (thread): 10 mm · Ø outside: 19.8 mm · Area of application: Standard · Width across flats: 15 mm
EUR 3.55





